TIPKALA
Tipkala su
elementi električnih instalacija pomoću kojih zatvaramo ili otvaramo strujni
krug. Pritiskom na tipku pomiče se mehanizam sa kontaktima i pri tome ih spaja
ili otpaja, ovisno o konstrukciji. Međutim, za razliku od prekidača, kada otpustimo
pritisak na tipkalo, mehanizam vraća kontakte u osnovno stanje i čini suprotno
od onog što smo postigli pritiskom. Ugrubo rečeno, tipkala služe za davanje
upravljačkih impulsa putem svojih kontakata, i vrše tu radnju tako dugo dok
postoji pritisak na njih.
Tipkala
dijelimo u dvije kategorije: instalacijska i upravljačka. Instalacijska tipkala
služe za upravljanje pojedinim strujnim krugovima električne instalacije (npr.
stubišna rasvjeta, kućno zvono…) i izgledom su identični klasičnim prekidačima.
Upravljačka tipkala uglavnom se ugrađuju na prednje stranice razvodnih ormara,
na upravljačke kutije, uređaje itd.
Pogledajmo
sad sliku. U gornjem redu, s lijeva nadesno, prikazani su najčešći primjeri
tipkala koje susrećemo u praksi. Prvo je tipkalo za isklop („gljiva“) bez
blokade, dok je drugo isto takvo tipkalo, ali sa blokadom položaja. To znači da
kad pritisnemo i otpustimo prvo tipkalo, ono će se vratiti u svoj osnovni
položaj, dok će drugo tipkalo ostati „pritisnuto“ i kad maknemo ruku; kako bi
ga vratili u osnovni položaj, moramo zakrenuti crvenu „gljivu“ u smjeru koji
nam pokazuju strelice. Treće tipkalo je klasično tipkalo za uklop, dok je
četvrto tipkalo kombinirano od dvije tipke: za uklop i za isklop nekog uređaja.
Ovakva tipkala mogu biti i mehanički spregnuta pa ne postoji mogućnost da
istodobno pritisnemo obje tipke. Peti primjer je tipkalo za isklop u nuždi;
kako bi pritisnuli tipku, moramo prvo razbiti „staklo“ na prednjem poklopcu
kućišta. Postoje i tipkala koja spomenuto „staklo“ drži pritisnutima;
razbijanjem „stakla“ iskočiti će i sama tipka, promijenivši pri tome položaj
svojih kontakata. Predzadnji i zadnji primjer su tipkala koja se koriste u
klasičnim električnim instalacijama.
Donji red
slike prikazuje nam simbole koje ćemo koristiti u našim prikazima. Postoji
mnogo simbola koji se koriste za prikaz tipkala, ali ovi su najčešći, i ako
ništa drugo, najzorniji i najrazumljiviji.
START – STOP
Jedan od najpoznatijih spojeva sa
tipkalima je popularni „start – stop“ (0 – 1). Obično na kućištu nekog uređaja
ili na upravljačkom tablou imamo dva tipkala: zeleno (start, 1) i crveno (stop,
0). U ovom slučaju nije nužno da će crveno tipkalo biti u obliku gljive. Ova
tipkala služe za uključenje – isključenje električnih uređaja ili rasvjete. Međutim,
kod ugradnje ovih tipkala često se zaboravlja na prioritet: imamo prioritet
isključenja (primjer 1) i prioritet uključenja (primjer 2). No, za početak
opišimo kako opisani sklop radi.
Pogledajmo
primjer 1; prikazano je osnovno stanje („isključeno“). Sklopnik K1 u primjeru 1
(ili K2 u primjeru 2) služe za uključenje – isključenje nekog električnog
uređaja, što na slici nije prikazano. Bitno je da moramo iskoristiti jedan
kontakt tog sklopnika (K1.1) sa samoodržanje rada spomenutog sklopnika. Naime,
pritiskom na tipkalo „START“ (T1) zatvaramo strujni krug sklopnika K1 i on
privlači. Naravno, privlači i njegov kontakt K1.1, preko kojeg se sklopnik K1
nastavlja napajati i kada otpustimo tipkalo „START“. Sklopnik K1 biti će
privučen tako dugo dok ne pritisnemo tipkalo „STOP“ (T2), pomoću kojeg ćemo
prekinuti strujni krug sklopnika K1 i on će otpustiti, pri čemu će isključiti
napajanje uređaja kojim upravlja (što na slici nije prikazano). Sklopnik K1
otpustiti će i ako dođe do nestanka električne energije. Sklop prikazan na
primjeru 2 radi potpuno identično primjeru 1.
U čemu je
razlika? Spomenuli smo prioritete. Sklop 1 ima prioritet isključenja; ako
slučajno dođe do kvara i „zalijepi“ tipkalo „START“, ili kontakt K1.1, sklopnik
K1 će otpustiti samo kada pritisnemo tipkalo „STOP“! Kada ga otpustimo,
sklopnik će ponovo privući. Međutim, za zadovoljenje uvjeta prioriteta
isključenja ovo je dovoljno: u slučaju opisanog kvara, sklopnik K1 sigurno neće
privući tako dugo dok držimo pritisnuto tipkalo „STOP“ i električni uređaj neće
se uključiti! Za to vrijeme možemo drugom rukom izbaciti osigurač, ili pozvati
pomoć – nekoga tko će izbaciti osigurače ili trajno isključiti spomenuti
uređaj. To znači da u slučaju kvara prioritet isključenja mora omogućiti isključenje
uređaja tako dugo dok se drži pritisnuta tipka „STOP“.
Prioritet
uključenja (primjer 2) radi suprotno od opisanog primjera 1; on u slučaju kvara
na tipkalu „STOP“ (T4), ili na kontaktu K2.1 mora osigurati mogućnost privučenog
sklopnika K2 tako dugo dok se drži pritisnuto tipkalo „START“ (T3)! Na taj
način električni uređaj kojim upravlja sklopnik K2 ostaje uključen tako dugo
dok je tipka „START“ pritisnuta. Ovo je rijedak slučaj i služi za upravljanje
električnim uređajima koji moraju biti uključeni kad to situacija zahtijeva
(pumpe, ventilatori za hlađenje, rasvjeta i sl.) i dok se ne otkloni spomenuti
kvar.
Bacimo sad malo oko na primjer 3:
prikazan je jedan popularan element – bistabil. Bistabili su instalacijski
elementi koji se najčešće ugrađuju na DIN šine u razvodne ormare i služe kao
sklopnik kojim se upravlja samo jednim tipkalom. Princip rada vrlo je
jednostavan: kratkim pritiskom na tipkalo „START – STOP“ privući će kotva
bistabila K3 i preko svog kontakta uključiti trošilo (najčešće se koristi za
upravljanje rasvjetom hodnika). Kada nakon nekog vremena ponovno pritisnemo
isto tipkalo, kotva bistabila K3 će otpustiti i isključiti trošilo. O
bistabilima će biti više rečeno u poglavlju „rasvjeta“.
Idemo dalje
sa našim „običnim“ tipkalima. Na slici u primjeru 1 vidimo dodatak: generalno
isključenje svih sklopnika (K1 – K3) tipkalom za isklop u nuždi (T1). Primjer
govori sam za sebe; sklopnici K1 i K3 sa pripadajućim tipkalima (koji rade kako
je opisano u prethodnom primjeru 1) povezani su paralelno i rade neovisno jedan
od drugoga; svaki sklopnik upravlja se svojim tipkalima. Međutim, sva tri
sklopa na primjeru 1 (a može ih biti neograničeno mnogo) napajaju se preko
mirnog kontakta tipkala T1 (kojih može biti više povezanih u seriju). Tipkalo
T1 ima ulogu tipkala za isklop u nuždi (tu se može upotrijebiti „gljiva“ sa ili
bez blokade) i pritiskom na njega prekida se strujni krug prema svim
sklopnicima (K1 – K3), koji otpuštaju i isključuju električne uređaje kojima
upravljaju. Ne treba naglašavati da ovo tipkalo ima značajnu sigurnosnu ulogu
kojim se može prekinuti npr. kompletan proizvodni proces u slučaju kvara,
nezgode, požara i sl.
Primjer 2
prikazuje spoj tipkala za sigurnosno uključenje nekog uređaja. Obično se tu
radi o prešama, giljotinama, rezačima i sl. koji su po prirodi opasni i mogli
bi prignječiti ili teško ozlijediti ruke ako se uključe u pogrešno vrijeme.
Kako bi se to izbjeglo, ugrađuju se dva tipkala „START“ (T1 i T2) izvan dosega
stroja, npr. na postolju lijevo i desno od radne površine stroja. Pošto su
tipkala spojena serijski, sklopnik K1 privući će tek kada pritisnemo oba
spomenuta tipkala i time uključiti stroj, a otpustiti će ako maknemo ruku sa
bilo kojega od njih. Naravno, jedno tipkalo postavlja se u poziciju za lijevu
ruku, dok se drugo tipkalo postavlja u poziciju za desnu. Tipkalo T3 („STOP“)
služi za isklop u nuždi.
Primjer 3
prikazuje nam kako se sklopnikom K1 može upravljati sa dva (ili više) mjesta.
Zamislimo da se tipkala T1 i T3 („START“ i „STOP“) nalaze na nekom upravljačkom
tablou, dok se tipkala T2 i T4 nalaze na vratima razvodnog ormara. Obje grupe
tipkala imaju istu ulogu: tipkalima T1 i T2 („START) uključujemo sklopnik K1,
dok ga tipkalima T3 i T4 („STOP“) isključujemo. U biti, možemo povezati neograničen
broj tipkala. Bitno je znati da radne kontakte tipkala za uključenje („START“)
povezujemo paralelno, dok mirne kontakte tipkala za isključenje („STOP“)
povezujemo serijski.
Primjer 2
rijetko se koristi, najviše iz sigurnosnih razloga, no možemo ga koristiti za
male potrošače (LED rasvjeta i sl.). To je zbog toga što, prilikom pritiska na
tipkalo „UKLJUČENO“, potezna struja potrošača (u ovom slučaju rasvjete) prolazi
preko tipkala tako dugo dok ne privuče kotva releja K1.
REGISTAR
Zamislimo
situaciju: imamo dva uređaja koji ne smiju raditi istodobno, ali treba
omogućiti brzo uključenje jednog uz istodobno isključenje drugog, i to
pritiskom na samo jednu tipku. Kako ćemo to izvesti?
Promotrimo sliku. Zamislimo da prvim
uređajem upravlja sklopnik K1, a drugim sklopnik K2. Sklopnik K1 uključuje se
tipkalom T1 (kontakt T1.1), dok sklopnik K2 uključuje tipkalo T2 (T2.1).
Pritisnimo sad tipkalo T1; privući će K1 i nastaviti će sa samoodržanjem preko
svog kontakta K1.1. (Drugim kontaktom, koji nije prikazan na slici, uključiti
će uređaj). Međutim, pritisnemo li sad tipkalo T2, privući će sklopnik K2, ali
će istodobno otpustiti sklopnik K1 jer ćemo mirnim kontaktom tipkala 2 (T2.2)
prekinuti strujni krug sklopnika K1. Naravno, sklopnik K2 nastaviti će sa
samoodržanjem (K2.1) i uključiti će svoj uređaj. Ako sad pritisnemo tipkalo T1,
privući će sklopnik K1 i otpustiti sklopnik K2. Vidimo da pomoću samo jednog
tipkala upravljamo sa dva uređaja. Naravno, postoji i tipkalo T3 („STOP“) kojim
možemo istodobno isključiti oba sklopnika.
Primjer 2
daje nam poboljšanu verziju primjera 1 – u strujni krug svakog sklopnika dodali
smo mirni kontakt drugog sklopnika. U ovom slučaju sklop će funkcionirati kao i
u prethodnom slučaju, samo što će željeni sklopnik privući tek kad otpusti onaj
koji se isključuje. Na taj način sprječavamo da oba uređaja, makar i na kratko,
budu istodobno u pogonu. Opisani sklop popularno se zove registar.
PONAVLJAČI I PRETVARAČI
Što učiniti u slučaju kad imamo
npr. tipkalo sa jednim radnim kontaktom, a potrebno nam je tipkalo sa tri radna
kontakta? Recimo da druge opcije ne dolaze u obzir (ugradnja novog tipkala i
sl.), već raspolažemo samo sa jednim slobodnim kontaktom na postojećem tipkalu?
U tom
slučaju možemo se poslužiti „ponavljačima“. Ponavljači su sklopnici (releji)
kojima upravljamo tipkalom (ili nekim slobodnim kontaktom drugog sklopnika ili
sklopke). Njihova namjena je u osnovi da poveća broj kontakata kojima
upravljamo nekim procesom; ako npr. na tipkalo sa jednim radnim kontaktom
(tipkalo T1 na slici) priključimo sklopnik (K1) sa tri radna kontakta, tad
govorimo da imamo tipkalo sa ponavljačem od tri radna kontakta. Praktički, dobili
smo tipkalo sa tri kontakta.
Ponavljači
se koriste i kao pretvarači – kada imamo slobodan kontakt na nekom tipkalu koji
ne odgovara traženim zahtjevima; npr. kao u primjeru 1 na slici. Imamo slobodan
radni kontakt na tipkalu (T1), a nama je potreban mirni kontakt (T2). Tada ćemo
posegnuti za ponavljačem - pretvaračem; na naše tipkalo T1 povezati ćemo
sklopnik K1 kako je prikazano na primjeru 1, a umjesto željenog tipkala T2
iskoristiti ćemo mirni kontakt (NC) sklopnika K1. I problem je riješen.
Primjer 2
prikazuje nam obrnuti slučaj: imamo na raspolaganju tipkalo sa mirnim kontaktom
T1, a potrebno nam je tipkalo sa radnim kontaktom (T2). I u ovom slučaju
posegnuti ćemo za ponavljačem – sklopnikom K1. Međutim, pošto je sklopnik
priključen na napon preko mirnog kontakta tipkala T1, biti će privučen tako
dugo dok ne pritisnemo tipkalo T1. Tada će sklopnik otpustiti i zatvoriti
kontakt koji zamjenjuje željeno tipkalo T2. Kada otpustimo tipkalo T1, sklopnik
K1 će privući i njegov kontakt će prekinuti strujni krug. U ovom slučaju
iskoristili smo NC (normalno zatvoren) kontakt sklopnika K1, ali zbog toga što
je taj sklopnik u osnovnom stanju privučen, njegov kontakt se ponaša kao
otvoren kontakt. O tome treba voditi računa prilikom planiranja rada sklopnika
i njihovih kontakata.
Primjer 3
pokazuje slučaj kad trebamo jedan radni i jedan mirni kontakt, a imamo na
raspolaganju tipkalo T1 sa radnim kontaktom. U četvrtom primjeru potreban nam
je preklopni kontakt, a raspolažemo sa jednim radnim kontaktom. Da bi se lakše
snalazili u ovim primjerima, korišteni su simboli u bojama: crveno su označena
tipkala kojima raspolažemo, dok su plavom bojom označena tipkala kakva su nam
potrebna za neki sklop.
START – STOP UPRAVLJANJE SA DVA JEDNAKA TIPKALA
Što učiniti
kad imamo na raspolaganju dva istovjetna tipkala (oba sa radnim, ili oba sa
mirnim kontaktima), a moramo izvesti upravljanje nekog uređaja sa START – STOP
tipkalima? U tom slučaju posegnuti ćemo za našim ponavljačima, odnosno
pretvaračima.
Ovo će u praksi biti rijedak slučaj, ali valja ga spomenuti –
nikad se ne zna. U primjeru 1 prikazan je slučaj kad imamo na raspolaganju dva
tipkala sa radnim kontaktima. Pošto znamo da za STOP koristimo tipkalo sa
mirnim kontaktom, pribjeći ćemo ugradnji ponavljača K2
kojim
upravlja tipkalo sa radnim kontaktom T2, u ovom slučaju naše STOP tipkalo.
Princip rada je više nego jednostavan; pritiskom na tipkalo START (T1) privlači
sklopnik K1 i samoodržava se preko kontakta K1.1 kada otpustimo tipkalo. Usput
će putem kontakta K1.2 uključiti naš uređaj. Međutim, vidimo da smo umjesto
STOP tipkala upotrijebili mirni kontakt sklopnika – ponavljača K2. Kada
pritisnemo tipkalo STOP (T2), privući će sklopnik K2 i putem svog kontakta K2.1
prekinuti će strujni krug samoodržanja sklopnika K1; on će otpustiti i
isključiti će uređaj (K1.2). Kada otpustimo tipkalo STOP (T2), otpustiti će i
ponavljač K2 i sklop će se vratiti u osnovno stanje. U ovom slučaju vidimo da
je sklopnik K2 ponavljač tipkala T2, čiji kontakt K2.1 koristimo kao pretvarač
radnog kontakta tipkala T2 u mirni kontakt (K2.1) koji nam je potreban za
ispravnu funkciju opisanog sklopa.
Primjer 2
daje nam suprotan slučaj: na raspolaganju imamo samo tipkala sa mirnim
kontaktima. U ovom slučaju iskoristiti ćemo sklopnik K2 kao ponavljač tipkala
T1 (START) i njegov pretvarač u radni kontakt (K2.1) koji nam je potreban za
pravilan rad prikazanog sklopa. Spomenimo samo da smo sklop prikazali u radnom
režimu – sklopnik K2 privučen je tako dugo dok ne pritisnemo tipkalo T1.
Naravno, kontakt sklopnika K2.1 (koji je prikazan u privučenom položaju)
zamjenjuje naše klasično START tipkalo.
PRETVARANJE PREKLOPNOG TIPKALA U START – STOP UPRAVLJANJE
Zamislimo
jednu zanimljivu situaciju: imamo na raspolaganju preklopno tipkalo kojeg
moramo prilagoditi za klasično „START – STOP“ upravljanje nekim uređajem.
Preklopna tipkala su tipkala sa dva položaja; obično su izvedeni kao tipkalo sa
dva radna kontakta, što možemo vidjeti na slici. Kada pritisnemo gornji dio
tipkala, zatvoriti će se gornji kontakt, a kada otpustimo pritisak, tipkalo će
se vratiti u neutralan položaj i kontakt će se otvoriti. Isti slučaj se događa
kada pritisnemo i donji dio tipkala. Doduše, postoje releji koji su prilagođeni
ovom načinu upravljanja, ali problem predstavlja njihova nabava i – cijena.
Postoje i preklopna tipkala sa kombinacijom radnog i mirnog kontakta u svakom
položaju, ali pretpostavimo da i to ne možemo nabaviti. Stoga se vratimo našem
slučaju: preklopno tipkalo T1 kakvo vidimo na slici.
Tipkalom T1 upravljamo našim potrošačem, neka to bude npr.
rasvjeta. Pritisnimo sad gornji dio tipkala T1; zatvoriti će se gornji kontakt
i sada pažljivo pratimo strujni krug od osigurača F1 (koji će, naravno, biti
uključen) preko
zatvorenog
gornjeg kontakta tipkala T1 i misnog kontakta sklopnika K2 do sklopnika K1. On
će privući. Na taj način će uključiti naš potrošač (desni kontakt), ali će
osigurati i samoodržanje preko lijevog kontakta kada otpustimo tipkalo T1. Kada
pak želimo prekinuti rad našeg potrošača, pritisnuti ćemo donji dio tipkala T1.
Sada ćemo zatvoriti strujni krug prema sklopniku K2 i on će privući. Putem svog
kontakta prekinuti će strujni krug samoodržanja sklopnika K1 i ovaj će
otpustiti, pri čemu će isključiti napajanje našeg potrošača. Kada otpustimo
tipkalo T1, sklopnik K2 će otpustiti i sve je spremno za novi ciklus
upravljanja. Iz priloženog vidimo da je sklopnik K2 u stvari zamjena za tipkalo
„STOP“ sa mirnim kontaktom koje smo koristili u prethodnim slučajevima.
NADZOR RADA TIPKALA
Što je nadzor rada tipkala? To je
proces koji nadzire pravilan rad ili ispravnost tipkala, ili pak pravilno i
propisano rukovanje tipkalima u određenim situacijama. Glavne smjernice za
određivanje ispravne funkcionalnosti tipkala su: specifične karakteristike
uređaja kojima se upravlja putem tipkala, sprječavanje nehotičnog uključenja i
sprječavanje hotimične ili slučajne blokade tipkala.
Za početak
bacimo pogled na sliku. Prikazano je upravljanje nekim potrošačem (uređajem ili
rasvjetom) koji ima prioritet uključenosti, tj. ovi uređaji većinom su u pogonu
i tipkala služe uglavnom za kratkotrajna isključenja. To se postiže vrlo
jednostavno: zamjenom funkcije tipkala START i STOP.
Primjer 1
prikazuje na m naš sklop kako izgleda kada je uređaj (potrošač) u pogonu. relej
K1 je otpušten i potrošač se napaja preko njegovog mirnog kontakta K1.2.
Pritisnemo li tipku STOP (T1), zatvaramo strujni krug preko namotaja releja K2
i on privlači. Nastaviti će sa samoodržanjem preko svog kontakta K1.1. Međutim,
kad relej K1 privuče, u isto vrijeme će isključiti napajanje potrošača pomoću
svog kontakta K1.2. Za uključenje uređaja dovoljno je kratko pritisnuti tipku
START (T2), čime se prekida strujni krug preko releja K1 i on otpušta, a
istovremeno će njegov mirni kontakt K1.2 zatvoriti strujni krug preko
potrošača. U ovom slučaju vidimo da sklop radi inverzno – obrnuto; kada je
kotva releja K1 privučena, uređaj je isključen i obrnuto, kada je otpuštena,
uređaj će biti uključen. Ovo je jako dobro rješenje za uređaje koji se moraju
samostalno uključiti nakon prekida napajanja (nestanak struje i sl.). Za
mogućnost trajnog isključenja potrošača potrebno je ugraditi sklopku između
osigurača F2 i kontakta
K1.2.
Slika nam
prikazuje još dva primjera povećane sigurnosti upravljanja električnim uređajima.
U primjeru 1 prikazano je korištenje tzv. „grupnog tipkala“ (zajedničkog
tipkala, tipkala za sigurnosno uključenje…), dok je u primjeru 2 prikazan
popularni „ping – pong“, to jest sklop koji onemogućuje da istodobno budu u
pogonu dva uređaja.
Krenimo od
primjera 1. Zamislimo tri uređaja kojima pojedinačno upravljaju sklopnici K1,
K2 i K3 (što nije prikazano na slici). Recimo da su to uređaji koji služe za
sigurnost nekog procesa i sl., i vrlo je bitno da ne dođe do njihovog slučajnog
uključenja (slučajnim pritiskom na tipkalo). Za razliku od ranije opisanog
sigurnosnog slučaja uključenja uređaja pomoću dvije tipke, ovdje se koristimo
tzv. „grupnim tipkalom“ (T1). Pošto se preko tog tipkala napajaju sva ostala
tipkala (T2, T4 i T6)za uključenje sklopnika K1, K2 i K3, jednostavno nije
moguće uključiti sklopnike ako se istodobno ne pritisnu dva tipkala: grupno
tipkalo i tipkalo za uključenje željenog uređaja. To znači: kada bi slučajno
pritisnuli samo tipkalo za uključenje uređaja 1 (tipkalo 2), ne bi se dogodilo
ništa jer nismo zatvorili strujni krug pritiskom na grupno tipkalo T1. Naravno,
tipkala se moraju smjestiti tako da ih se ne može istodobno pritisnuti jednom
rukom. Ovaj način predstavlja velik stupanj sigurnosti, jer je za uključenje
uređaja potrebna planska radnja istodobnog pritiska na dva tipkala sa obje
ruke. Naravno, za isključenje svakog uređaja dovoljno je pritisnuti samo
tipkalo za isključenje (T2, T4 ili T6), bez potrebe za pritiskanjem grupnog
tipkala. Na ovaj način može se povezati neograničen broj tipkala.
Primjer 2,
ili „ping – pong“, služi za sprječavanje istodobnog uključenja dva uređaja
(kojima upravljaju sklopnici K1 i K2, što ni u ovom slučaju nije prikazano na
slici), odnosno da se ne može uključiti drugi uređaj ako je prvi u pogonu.
Princip rada je jednostavan: u strujnom krugu za upravljanje sklopnikom K1
umetnut je mirni kontakt sklopnika K2 (K2.2) i obratno, u strujni krug
sklopnika K2 umetnut je mirni kontakt sklopnika K1 (K1.2). Kada je npr. uređaj
1 u pogonu, znači da je privučen sklopnik K1 koji će svojim kontaktom K1.2 (u
tom će slučaju biti otvoren) onemogućiti privlačenje sklopnika K2 pritiskom na
tipkalo START (T3). Isti uvjet vrijedi i obratno. Iz toga zaključujemo da se ovim
sklopom može uključiti samo jedan uređaj, pod uslovom da su oba isključena, i
da se nikako ne mogu istodobno uključiti oba uređaja.
NADZOR RADA TIPKALA POMOĆU VREMENSKIH RELEJA
Da li postoje načini koji će
povećati sigurnost izbjegavanjem slučajnog uključenja uređaja nehotičnim
pritiskom na tipkalo za uključenje, a da se to može izvršiti samo jednim
tipkalom? Sličica lijevo prikazuje nam jedno od rješenja: upotreba vremenskog
releja sa kašnjenjem uklopa.
Naime, velik
broj nezgoda događa se nehotičnim kratkotrajnim pritiskom na tipkalo, ili
udarcem npr. drškom od metle po tipkalu, što je dovoljno da se uključi neki
uređaj i dođe do problema. Primjer na slici lijevo namijenjen je izbjegavanju
upravo takvih scenarija: za uključenje nekog uređaja tipkalo START (T1) se mora
držati pritisnutim dulje od npr. jedne sekunde! Kako to funkcionira?
Jednostavno. Umjesto da direktno upravljamo sklopnikom K1 putem tipkala START
(T1), mi za to koristimo mirni kontakt vremenskog releja VR1. Vremenski relej
sa kašnjenjem uklopa čini upravo ono što mu govor samo ime: kada pritisnemo
tipkalo T1, vremenski relej neće odmah privući, već će privući nakon vremena
koje se podesi na samom releju, pod uvjetom da je tipkalo T1 i dalje
pritisnuto. Recimo da smo vrijeme kašnjenja podesili na dvije sekunde;
pritiskom na tipkalo START vremenski relej će privući tek nakon dvije sekunde,
i samim tim zatvoriti strujni krug sklopnika K1 koji će svojim privlačenjem
uključiti uređaj kojim upravlja (što na slici nije prikazano). Ako pak tipku
otpustimo prije nego što prođu dvije sekunde, neće se dogoditi ništa; vremenski
relej neće privući. Uobičajeno vrijeme kašnjenja u ovakvim slučajevima je jedna
sekunda, što je sasvim dovoljno za izbjegavanje većine neželjenih uključenja.
Sada ćemo
dati neka rješenja sa vremenskim relejima sa kašnjenjem isklopa. Da ponovimo:
vremenski releji sa kašnjenjem isklopa su releji koji će, kada jednom privuku,
biti privučeni i nakon što prekinemo dovod napona na upravljački ulaz onoliko
vremena koliko je na samim relejima podešeno. To znači: ako na vremenskom
releju podesimo vrijeme na npr. dvije sekunde, i dovedemo napon na upravljački
ulaz, on će privući. Kada otpojimo napon sa upravljačkog ulaza, relej će biti
privučen još dvije sekunde (koliko smo podesili), i tek onda će otpustiti.
Naime, uz upravljački ulaz kojim određujemo privlačenje i otpuštanje kotve
naponskog releja, on ima i priključak za stalno napajanje koji mu omogućuje da
bude privučen i kad prekinemo napon na upravljačkom ulazu.
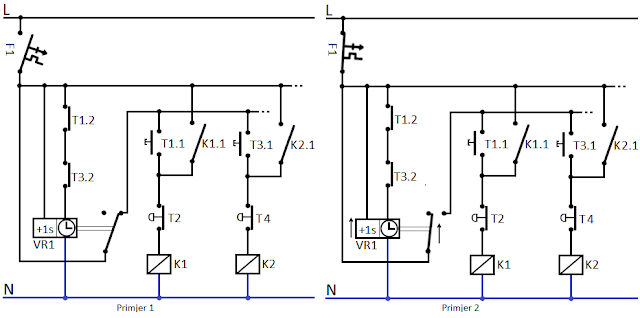
Kako sve to
izgleda u praksi? Pogledajmo sliku. Prikazan je sklop za sprječavanje slučajnog
uklopa, kao i u prethodnom primjeru. U ovom slučaju nešto nas ne smije zbuniti:
primjer 1 je prikaz spojne (montažne) šeme i prikazuje nam princip ožičenja
elemenata, dok je primjer 2 funkcionalni prikaz osnovnog (pripravnog) radnog stanja
samog sklopa, kada je sklop pod naponom („podignut“ je automatski osigurač F1).
U primjeru 2 vidimo da je kotva vremenskog releja VR1 privučena.
Zamislimo da
smo vrijeme kašnjenja isklopa podesili na 1 sekundu. Pritisnimo sad tipkalo T1.
Tom radnjom otpojiti ćemo mirni kontakt tipkala T1.2 i spojiti radni kontakt
T1.1. Međutim, neće se dogoditi ništa. Otpajanjem mirnog kontakta T1.2
prekinuli smo dovod napona na upravljački ulaz vremenskog releja VR1 i on je
počeo sa „odbrojavanjem“ podešenog vremena, ali je i dalje privučen. Međutim,
kada vremenski relej VR1 „odbroji“
podešeno vrijeme (nakon 1 sekunde), i on će otpustiti. Tada će preko svog
kontakta dovesti napon na kontakt T1.1 (tipkalo je i dalje pritisnuto i sad je
ovaj kontakt „spojen“, tj. mirni), a samim tim na kotvu releja K1 koji će
privući. Kada K1 privuče, preko svog kontakta K1.1 nastaviti će sa
samoodržavanjem, tj. ostati će privučen i K1 će uključiti uređaj kojim
upravlja. Sad možemo otpustiti tipkalo T1. U tom momentu zatvara se kontakt
T1.2, vremenski relej VR1 privlači i sve je spremno za novi ciklus uključenja.
Sam uređaj kojim upravlja sklopnik K1 isključiti ćemo kratkim pritiskom na
tipkalo T2. Vidimo da smo postigli zadani uslov sigurnosti – kašnjenje
uključenja. Ovdje smo iskoristili vremenski relej sa kašnjenjem isklopa zbog
toga što se njime lakše upravlja mirnim kontaktima tipkala (kojih možemo
nebrojeno mnogo povezati u seriju). Da smo koristili vremenski relej sa kašnjenjem
uklopa kao u prethodnom slučaju, za njegovo aktiviranje trebali bi radne
kontakte, no teško je naći tipkala sa dva radna kontakta koliko bi bilo
potrebno za takav sklop. Tipkala sa jednim radnim i jednim mirnim kontaktom
prilično su česta. Naravno, na ovaj način možemo povezati neograničen broj
sklopnika, kojima će upravljati tek jedan vremenski relej sa kašnjenjem
isklopa.
SMETNJA I KVAR
Razlika
između smetnje i kvara je u tome što kod pojave smetnje uređaj može nastaviti s
radom, ali treba poduzeti određenu radnju kako bi se smetnja otklonila, dok kod
kvara nastaje veći problem i uređaj mora prekinuti s radom i ne može se
uključiti tako dugo dok kvar nije otklonjen. Kod jednostavnijih sklopova imamo
prisustvo ili samo smetnje, ili samo kvara (slika). Nadzor smetnje i kvara
koristi se kod zahtjevnijih nadzorno – upravljačkih sklopova.
Što nam
predstavlja sklop na slici? I u ovom slučaju imamo 2 primjera: primjer 1 –
montažna šema, dok primjer 2 predstavlja radno stanje, nakon što smo ukopčali
automatski osigurač F1 i kratko pritisnuli tipkalo T1 – RESET. Namjena ovog
sklopa je davanje zvučnog signala ako bilo koje tipkalo T2 – T5 ostane
pritisnuto dulje od podešenog vremena na vremenskom releju sa kašnjenjem
isklopa VR1, u našem slučaju neka to budu 4 sekunde. Vrijeme od 4 sekunde je
općeprihvaćeno vrijeme koliko najviše smije biti pritisnuto neko tipkalo. Uz to
što će sklop dati zvučni signal ako se prekorači zadano vrijeme, istodobno će
isključiti sve uređaje kojima upravljaju sklopnici K1 i K2.
Gledajmo
primjer 2. Pritisnimo i držimo pritisnuto tipkalo T2. Kada ga pritisnemo, odmah
će privući sklopnik K1 i preko svog kontakta uključiti će uređaj kojim upravlja
(nije prikazano na slici). Međutim, uz navedeno, otpojiti će se mirni kontakt
tipkala T2, čime će prekinuti napajanje upravljačkog ulaza vremenskog releja
VR1, i on će početi „odbrojavati“ zadano vrijeme. Ako sada otpustimo tipkalo
T2, neće se dogoditi ništa; uređaj koji se napaja preko sklopnika K1 i dalje će
raditi, tako dugo dok ne pritisnemo tipkalo T3. Međutim, ako nastavimo držati
pritisnuto tipkalo T2, kad vremenski relej VR1 „odbroji“ podešeno vrijeme od 4
sekunde, on će otpustiti. Preko svog kontakta VR1.1 uključiti će zvono (sirenu,
zumer, zujalicu, sijalicu…) dajući nam do znanja da nešto nije u redu sa
tipkalima. Istodobno će preko svog kontakta VR1.2 prekinuti napajanje svih
sklopnika (u ovom slučaju K1 i K2, ali može ih biti neograničeno mnogo), i oni
će otpustiti (ako su bili privučeni) isključivši pri tom uređaje kojima
upravljaju. Zvono će davati signal tako dugo dok ne pritisnemo tipkalo T1
(RESET), ili dok ne izbacimo osigurač F1. Kratko pritisnuvši tipkalo T1 (RESET)
sklop se vraća u osnovno stanje. Ako je kvar prouzročio predugačak pritisak na bilo
koje upravljačko tipkalo, sklop je spreman za daljnji rad (uz pokude
smjenovođe, naravno). Međutim, ako je bilo koje tipkalo T2 – T5 ostalo
mehanički zablokirano u pritisnutom položaju, nakon 4 sekunde ponovno će se
oglasiti zvono, dajući do znanja da nešto nije u redu sa tipkalima, ili
ožičenjem tipkala. Naravno, ovaj sklop nadzire i tipkala za uključenje (T2 i
T4), ali i tipkala za isključenje (T3 i T5).
Naredni
primjer poznat je pod nazivom „taster budnosti“ ili „tipka budnosti“, „nadzor
nazočnosti“ itd. Ovaj sklop uglavnom obožavaju oni koji moraju s njim rukovati.
Kao što i samo ime govori, bit ovog sklopa je u jednom jedinom tipkalu: tipkalu
za provjeru budnosti, odnosno nazočnosti (T1).
Za početak zamislimo da smo
uključili (podigli) osigurače F1 i F2. Što će se dogoditi? Ništa značajno;
privući će sklopnik K1 i uključiti neki osjetljivi uređaj kojeg stalno trebamo
imati na oku, ili nešto tome slično. I narednih 15 sekundi neće se ništa
dogoditi, ali će nakon isteka tog vremena privući vremenski relej sa kašnjenjem
uklopa VR1 i oglasiti će se zvono (zujalica, bljeskalica…) ZV (kontakt VR1.1).
nakon narednih 5 sekundi privući će treći vremenski relej sa kašnjenjem uklopa
VR3, koji će pomoću svojih kontakata prebaciti jedan broj na brojaču impulsa
BI, i prekinuti napajanje kotve sklopnika K1. Kada otpusti sklopnik K1, pomoću
svojih kontakata će isključiti uređaj kojim upravlja, ali će istodobno
uključiti sirenu S1. Pritisnemo li sad tipkalo T1, sve će se vratiti u osnovno
stanje: vremenski relej VR1 će otpustiti, zvono ZV će se isključiti, otpustiti
će i vremenski relej VR3, sklopnik K1 će privući, sirena S1 će prestati s radom
i uređaj (Potrošač) će se ponovno uključiti.
Što će se
dogoditi ako pak tipkalo T1 pritisnemo i držimo pritisnuto? Nakon 15 sekundi
privući će vremenski relej sa kašnjenjem uklopa VR2 i zazvoniti će zvono Z1.
Ako nastavimo sa pritiskom, nakon 5 sekundi privući će VR3, brojač impulsa BI
prebaciti će jedan broj, otpustiti će K1, zasvirati će sirena S1 i isključiti
će se naš pažnje potreban uređaj. I ovo sve će prestati ako otpustimo tipkalo
T1, ali će se za 15 sekundi početi dešavati ono što smo opisali na početku.
Bit je u
tome da tipkalo T1 obavezno mora biti pritisnuto barem jednom unutar podešenih
15 sekundi, kako bi se sklop, nazovimo to tako, „resetirao“ (u stvari,
resetiraju se naši vremenski releji sa kašnjenjem uklopa VR1 i VR2). Ili, da
budemo još malo jasniji, ovaj sklop primorava nas da pritisnemo tipkalo T1 svakih
15 sekundi, ili kraće, kako se ne bi uključilo zvono (što nam ovdje predstavlja
smetnju), i kako se nakon sljedećih 5 sekundi ne bi oglasila sirena i isključio
nadzirani uređaj (što predstavlja definiciju kvara). Vremenski relej VR2 služi
za nadzor samog tipkala, i onemogućuje blokadu tipkala u pritisnutom položaju.
Ovo tipkalo najčešće ćemo naći u lokomotivama, ali i na proizvodnim trakama sa
osjetljivim proizvodima, ili kod vizualne kontrole nečega što prolazi pokretnom
trakom, itd. Bit je u tome da upravo redovitim pritiscima na tipkalo budnosti
„javljamo“ uređaju da smo prisutni i budni. Samo tipkalo može biti i dvostruko:
ručno u obliku tipke i nožno u obliku pedale, pri čemu je svejedno koje od njih
ćemo pritisnuti. Brojač impulsa daje do znanja da je došlo do propusta, tj.
aktiviranja sirene i kratkog zaustavljanja proizvodnog procesa. Naravno, sklop
se može izvesti i tako da u potpunosti prekine proizvodni proces.
SIGNALIZACIJA – INDIKACIJA
Indikacija rada
tipkala služi davanju određene informacije o radu tipkala. To može biti obično
osvjetljenje tipkala, ili pak signalizacija određene radnje ili stanja na
tipkalima. U principu, velik broj tipkala sa indikacijom ima neovisne
priključke za sijalicu (obično je to tinjalica) koji se povezuju sa određenim
elementima u uređaju i signaliziraju nam stanje nekog procesa. O tome ćemo
kasnije. Za početak pogledajmo na slici nekoliko primjera indikacije, odnosno
signalizacije stanja. Prikazane lampice – tinjalice mogu biti integrirane u
tipkala, ali se mogu i odvojeno ugraditi na vrata razvodnog ormara, upravljačkog
tabloa i sl. Više informacija o samim indikatorskim sijalicama može se naći u
poglavlju „Indikacija prakidača“.
Krenimo
redom. T1 je tipkalo sa zelenom lampicom. Ona je povezana direktno na napajanje
tipkala i neutralni vodič, što znači da će svijetliti kontinuirano. Ovakva
signalna lampica ugrađena je u samo tipkalo. T2 je crvena signalna lampica,
koja će svijetliti samo kad je tipkalo pritisnuto. NC kontakt tipkala služi kao
kratkospojnik i ne dosvoljava tinjalici da svijetli. Kada pritisnemo tipkalo,
kontakt će se otvoriti i tinjalica će zatvoriti strujni krug preko elementa
kojim upravlja samo tipkalo (namotaj sklopnika i sl.) Pošto za rad tinjalice
treba vrlo mala struja i razlika u naponu, otpor namotaja sklopnika neće
predstavljati nikakav problem za rad tinjalice; ona će zasvijetliti svaki put
kad pritisnemo tipkalo T2. T3 je ista priča, samo u obrnutom redoslijedu:
zelena tinjalica će svijetliti tako dugo dok ne pritisnemo tipkalo. NO kontakt
samog tipkala postati će kratkospojnik na priključcima tinjalice tek kada
pritisnemo tipkalo, zbog čega će se tinjalica ugasiti. T4 i T5 su primjeri
korištenja pomoćnog kontakta na tipkalima za signalizaciju rada tipkala.
Naravno, boje signalnih lampica mogu se i zamijeniti, ovisno o uređaju kojim se
upravlja pomoću tipkala.
Za sve
primjere na slici je zajednička indikacija rada samih tipkala, a ne
signalizacija rada uređaja kojima one upravljaju. Na slici dati ćemo nekoliko
takvih primjera, i usput malo „ponoviti gradivo“.
Prikazana su
tri primjera indikacije rada potrošača kojim se upravlja sklopnikom K1. To je
„klasična“ START – STOP kombinacija, ali ovdje smo dodali indikaciju. Krenimo
redom.
Primjer 1
daje nam klasičnu situaciju START – STOP upravljanja pomoću tipkala: tipkala
upravljaju sklopnikom K1, koji preko radnog kontakta K1.2 uključuje i
isključuje potrošače. S1 je kontrolna lampica „u pogonu“ i svijetli samo kad je
sklopnik K1 privučen; kad je otpušten, svijetli crvena kontrolna lampica S2 -
„isključeno“. Prednost ovog sklopa je određeni nadzor sklopnika: ako pritisnemo
tipkalo T2 i sklopnik iz nekog razloga ne privuče, zasvijetliti će i zelena i
crvena lampica istodobno. Kada izbaci osigurač F1, neće svijetliti niti jedna
lampica. Lampica S3 je opcija: ona će svijetliti kada sklopnik K1 privuče i
kada je osigurač F2 uklopljen.
Primjer 2 je
„napredan“ u odnosu na primjer 1: dodali smo tropoložajnu jednopolnu grebenastu
sklopku GS1. U položaju 0 (srednji položaj) sklopnik K1 biti će trajno
isključen. U položaju 1 biti će trajno uključen. U položaju 0-1 upravljanje
sklopnikom K1 ovisiti će o tipkalima T1 i T2.
Primjer 3 je identičan primjeru 1, samo što za
signalizaciju i za upravljanje radom potrošača koristimo samo jedan kontakt
sklopnika K1 i jedan osigurač (F1). Bitno je uočiti da crvene lampice svijetle
kad je potrošač isključen, dok zelene svijetle kad je uključen.
Slika
prikazuje jedan poseban slučaj; imamo na raspolaganju tipkala sa jednim radnim
i jednim mirnim kontaktom, signalne lampice i zvono. Recimo da ovaj slučaj služi
za davanje zvučnog i svjetlosnog signala (Zv i S4) kada se pritisne bilo koje
tipkalo, ali i da ujedno dobijemo informaciju koje tipkalo je pritisnuto. To
znači (pomognimo si primjerom 2): ako pritisnemo tipkalo T2, zasvijetliti će
kontrolna lampica S2, i istodobno će zazvoniti zvono Zv i zasvijetliti sijalica
S4. (Spoj može funkcionirati i bez sijalice S4). Sam spoj malo je čudan: mirni
kontakti tipkala koriste se kao kratkospojnici kontrolnih lampica, i sva struja
će teći kroz kontakt (koji je praktički bez otpora), tako da lampica neće
svijetliti. Međutim, kada pritisnemo tipkalo, „poslati“ ćemo napon kako je
prikazano smeđom bojom: zazvoniti će zvono, zasvijetliti će lampica S4, i
zasvijetliti će lampica koja je paralelno spojena mirnom kontaktu tipkala (u
primjeru 2 je to S2). Lampice koje su paralelno spojene nepritisnutim tipkalima
neće zasvijetliti. Broj tipkala i signalnih lampica može biti neograničen.


















Nema komentara:
Objavi komentar
Napomena: komentar može objaviti samo član ovog bloga.